usługi pozostałe

Usługi pozostałe

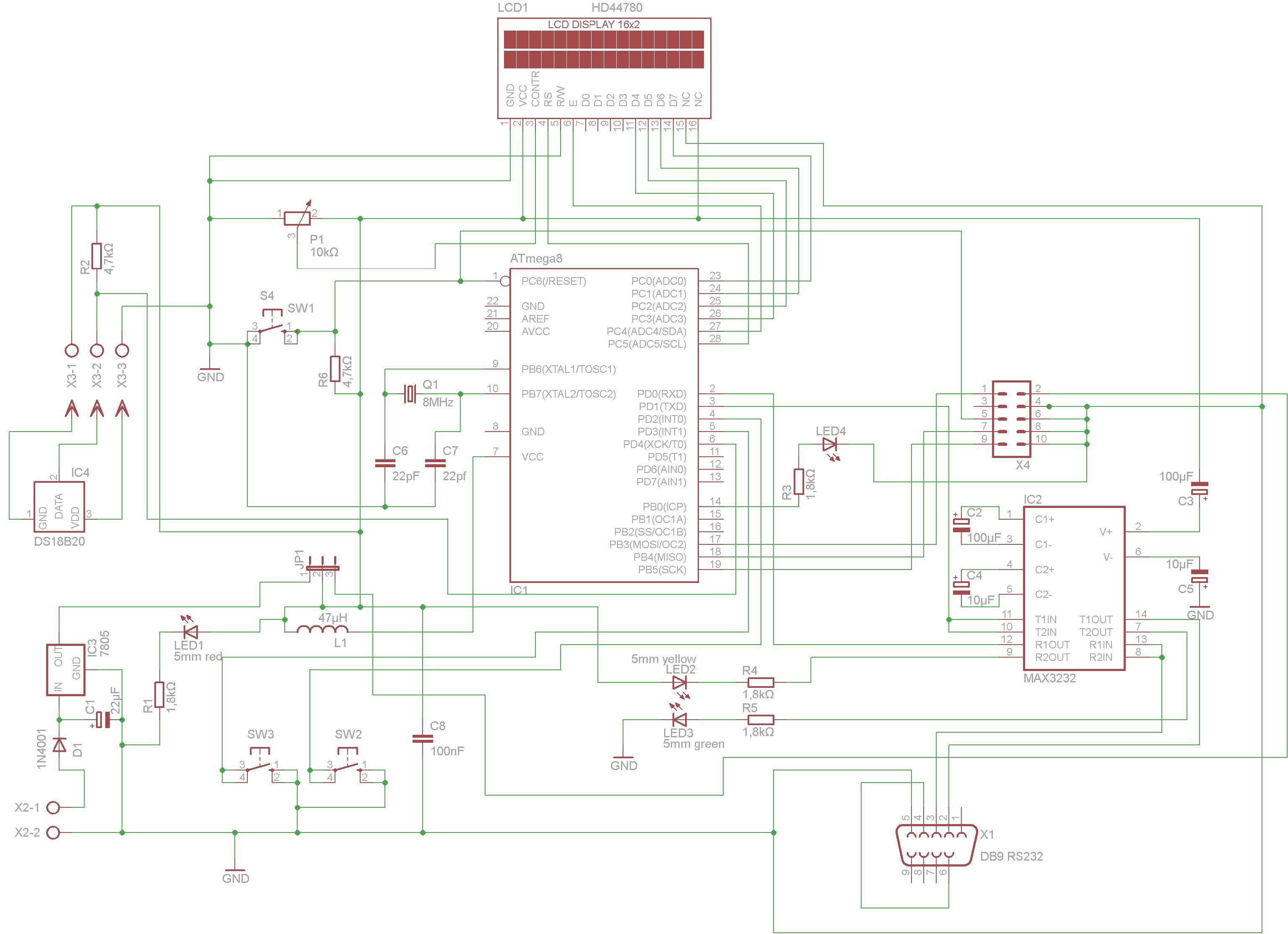
Usługi firmy obejmują również realizację prac inżynierskich z zakresu elektroniki, przygotowania i wykonania konstrukcji mechanicznych czy programowania.

Pozostałe usuługi

  • Elektronika:
    • projektowanie układów elektronicznych opartych o mikrokontrolery
    • wykonanie projektowanych układów elektronicznych w technice THT
    • wykonanie płytek drukowanych
  • Programowanie:
    • programowanie w jęzku DELPHI
    • programowanie HTML, PHP
    • bazy danych MYSQL
  • Projektowanie:
    • przygotowanie rysunków wykonawczych w AutoCad
    • przygotowanie projektów ścieżek PCB w EAGLE

Galeria